Workshop-Manuals
Volkswagen Fox (2004-2019) Official Workshop Repair Manual
Volkswagen Fox (2004-2019) Official Workshop Repair Manual
Couldn't load pickup availability
Official Workshop Repair Manual for
Volkswagen Fox (2004-2019)
LANGUAGE: English
FORMAT: PDF (Instant Download)
TOPICS:
General Info
Special Tools
Specifications
Maintenance
Engine
Fuel And Emissions
Transaxel
Transmission
Driveshafts
Steering
Suspension
Brakes
Body
HVAC (Heater Ventilation & Air Conditioning)
Electrical
Transmission
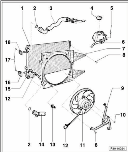
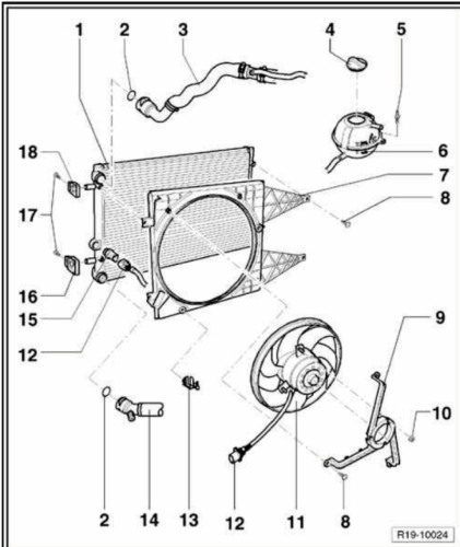
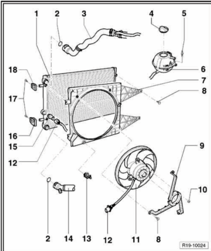
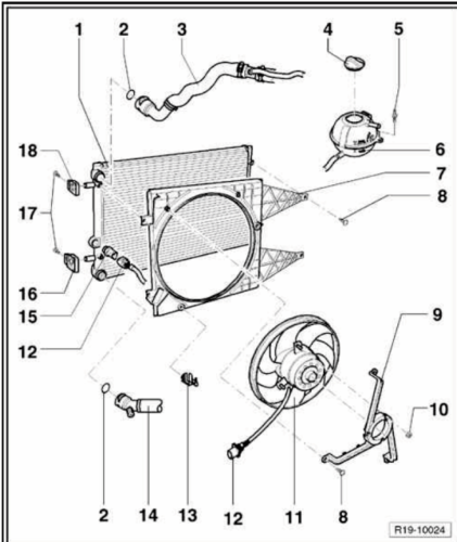
Cooling
Dashboard
Wiring Diagrams
Share

This manual provides all the essential technical details, diagrams, and procedures required to perform maintenance and repairs independently. It’s an ideal tool for both professional workshops and vehicle owners who want to ensure proper care of their car.
Each section is organized for easy reference, guiding you through diagnostic processes, disassembly, part replacement, and reassembly with step-by-step clarity.
Whether you're dealing with routine maintenance or more complex repairs, this manual offers the accuracy and depth needed to work confidently and efficiently.
Compatible with a wide range of digital devices, it allows you to consult or print only the pages you need—making it a practical, time-saving resource for any workspace.
✅ Instant Digital Download – Ready to Access
As soon as your order is complete, your manual is ready for immediate download. Start browsing and begin your repair or maintenance work without waiting a minute.
-
Instant Download
-
Over 100.000 Happy Customers
-
Secure SSL Connection and Payments